MARINE & OFFSHORE EQUIPMENT
- Dredging Equipment
- Marine Deck Machinery
-
Marine Mooring Equipment
-
Marine Anchor
- AC-14 HHP Anchor
- Admiralty Anchor
- Beldt Stockless Anchor
- Bruce Anchor
- Spek Anchor
- Danforth HHP Anchor
- Delta High Holding Power Anchor
- GB11579-89 Light Weight Anchor
- Hall Anchor
- High Holding Power Mastrosov Anchor
- Hot Dip Galvanized Anchor
- Japan Stock Anchor
- JIS Stockless Anchor
- Pool Anchor
- Single Fluke Anchor
- Stainless Steel Anchor
- Stevpris MK5 Anchor
- Stingray Anchor
- US Navy Stockless Anchor
-
Marine Anchor Chain
-
Marine Shackle
- Kenter Shackle
- D Type Joining Shackle
- Pear Shaped Shackle
- Anchor Swivel Shackle Type A
- Anchor Swivel Shackle Type B
- Buoy Shackle Type A
- Buoy Shackle Type B
- C Type Detachable Connecting Link
- D Shackle
- Forelock Shackle
- Anchor Chain Swivel Group
- Straight Shackle
- Anchor Shackle
- Marine Triangle Plate
- Anchor Chain Swivel
- Anchor Chain Joining Shackle
- Anchor Chain End Shackle
- Slim Kenter Shackle
-
Chain Chaser
-
Marine Bollard
-
Marine Chock
-
Marine Fairlead
-
Marine Chain Stopper
-
Marine Mooring Reel
-
Marine Towing Bracket
-
Mooring Rope
-
Marine Towing Hook
-
Marine Shark Jaw
- Marine Fender
-
Marine Buoy
- Marine Floating Pontoon Dock
-
Marine Anchor
- Aquaculture Equipment
- Marine Outfitting Equipment
- Marine Propulsion System
-
Marine Painting
-
Marine Auxiliary Machinery
- Marine Air Compressor
- Marine Air Receiver
- Marine Sewage Treatment Plant
-
Marine Diesel Generator Set
- Marine Oil Water Separator
- Ballast Water Management System
- Marine Hydrophore
- Marine Calorifier
- Seawater Desalination Plant
-
Marine Oil Separator
- Marine Fuel Oil Supply Unit
- Marine Heat Exchanger
-
Marine Hot Well Unit
-
Marine Incinerator
-
Marine Boiler
-
Marine Valve
- JIS Marine Valve
- DIN Marine Valve
- ANSI Marine Valve
- GB Marine Valve
- CB Marine Valve
- CBM Marine Valve
-
Marine Gate Valve
-
Marine Globe Valve
-
Marine Angle Globe Valve
-
Marine SDNR Valve
-
Marine Angle SDNR Valve
-
Marine Check Valve
-
Marine Storm Valve
-
Marine Butterfly Valve
-
Marine Quick Closing Valve
-
Marine Fire Valve
-
Marine Self Closing Valve
- Marine Valve Accessories
-
Marine Pump
- Marine Centrifugal Pump
- Marine Screw Pump
-
Marine Gear Pump
-
Marine Vortex Pump
-
Marine Ejector Pump
-
Marine Diaphragm Pump
-
Marine Piston Pump
-
Marine Fire Pump
-
Marine Emergency Fire Pump
-
Marine External Fire Pump
-
Marine Ballast Water Pump
-
Marine Fuel Pump
-
Marine Lubricating Oil Pump
-
Marine Bilge Pump
-
Marine Sewage Pump
-
Marine Domestic Water Pump
-
Marine General Pump
-
Marine Cargo Oil Pump
-
Marine Hand Pump
- Marine Pump Parts
- Marine Life-saving Equipment
- Fire-fighting Equipment
- Marine Cable
- Marine Electrical Equipment
- Marine HVAC
-
Labour Protection Appliance
- Marine Decorative Material
-
Marine Anode
- Marine Pipe Fitting & Flange
- Marine Instrument
- Ship Building Equipment
INDUSTRY EQUIPMENT
- Hoisting Equipment
- Welding Machine & Material
-
Cutting Machine
- Container Securing Fitting
- Link Chain
- Container & Storage Equipment
-
Diesel Generator Set
- Other Equipment and Tools
- Petrochemical Equipment
- Fiber Reinforced Plastics
- Polymer Materials
- Environmental Protection Series
- Geo-products and Building Materials
- Metal Mesh
- Steel Grating
-
Earthwork Teeth
-
Turnbuckle
STOCK LIST
Contacts
Tel:+86-23-67956606
FAX:+86-23-67956622
Email:manager@cqhisea.com
Working Time: 9:00--17:00
Working Day: Monday to Friday Website: www.cqhisea.com
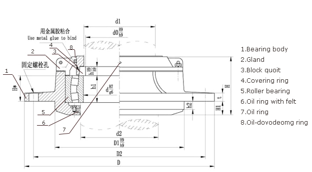
Heavy Roller Upper Rudder Carrier
Heavy Roller Upper Rudder Carrier
Application
The Heavy Roller Upper Rudder Carrier (B type roller upper rudder carrier) can automatically adjust the centre of gravity, it especially can apply to the hanging rudder whose the load is heavy and the revolving degree is large. And the diameter range of the rudder stock is Φ120-Φ340. Overall, the heavy roller upper rudder bearing is a specialized type of rudder bearing that utilizes a series of small rollers to provide smooth rotation of the rudder stock and improve steering efficiency in marine vessels. Its design and construction must be carefully considered to ensure that it can withstand the loads generated during steering and provide reliable and efficient steering control for the vessel.
Advantages and Features
1. Compact structure, high quality;
2. Excellent performance, high security;
3. Working steadily and smoothly;
4. Easy installation, easy maintenance;
5. Corrosion resistance, long lifespan;
6. Reliable service, exquisite appearance;
7. Can be customized according to your requirements.
Main Technical Parameter
Type:Type B-heavy-duty Upper Roller Rudder Bearing CB*789-87
| Diameter of the Rudder Stock | d0 | d1 | d2 | D | D1 | D2 | t | h | h1 | h2 | H | H1 | Mounting Bolt | Weight | |
| d | Qua. | Diameter | kg | ||||||||||||
| 120 | 110 | 119 | 130 | 350 | 220 | 310 | 16 | 20 | 46 | 15 | 106 | 30 | 6 | M18 | 25.2 |
| 130 | 120 | 128 | 140 | 370 | 240 | 330 | 16 | 20 | 52 | 15 | 114 | 30 | 6 | M18 | 31.3 |
| 140 | 130 | 138 | 150 | 390 | 250 | 350 | 16 | 20 | 53 | 15 | 120 | 30 | 6 | M20 | 35.0 |
| 150 | 140 | 148 | 160 | 400 | 265 | 360 | 16 | 20 | 56 | 15 | 125 | 30 | 6 | M20 | 40.0 |
| 160 | 150 | 158 | 172 | 420 | 286 | 380 | 18 | 20 | 60 | 18 | 127 | 30 | 6 | M20 | 49.7 |
| 170 | 160 | 168 | 182 | 435 | 300 | 395 | 18 | 20 | 67 | 18 | 134 | 35 | 6 | M20 | 59.6 |
| 180 | 168 | 178 | 192 | 460 | 315 | 420 | 18 | 22 | 74 | 18 | 143 | 38 | 6 | M20 | 62.0 |
| 190 | 178 | 188 | 202 | 490 | 330 | 440 | 18 | 24 | 75 | 18 | 158 | 38 | 6 | M22 | 72.0 |
| 200 | 188 | 198 | 212 | 520 | 362 | 470 | 20 | 25 | 82 | 18 | 163 | 40 | 6 | M22 | 94.8 |
| 220 | 208 | 218 | 234 | 550 | 392 | 500 | 20 | 25 | 90 | 20 | 171 | 40 | 6 | M24 | 107.5 |
| 240 | 228 | 238 | 254 | 570 | 410 | 520 | 20 | 25 | 92 | 20 | 173 | 40 | 6 | M24 | 118.0 |
| 260 | 245 | 258 | 278 | 650 | 460 | 585 | 25 | 28 | 104 | 20 | 192 | 42 | 6 | M27 | 176.5 |
| 280 | 265 | 278 | 298 | 670 | 480 | 605 | 25 | 28 | 106 | 20 | 201 | 42 | 6 | M27 | 195.0 |
| 300 | 285 | 298 | 320 | 720 | 520 | 650 | 30 | 30 | 118 | 24 | 210 | 50 | 6 | M30 | 210.0 |
| 320 | 305 | 318 | 340 | 750 | 550 | 680 | 30 | 30 | 121 | 24 | 215 | 60 | 6 | M30 | 233.3 |
| 340 | 325 | 338 | 360 | 780 | 580 | 710 | 30 | 32 | 133 | 24 | 230 | 60 | 6 | M30 | 272.0 |
