MARINE & OFFSHORE EQUIPMENT
- Dredging Equipment
- Marine Deck Machinery
-
Marine Mooring Equipment
-
Marine Anchor
- AC-14 HHP Anchor
- Admiralty Anchor
- Beldt Stockless Anchor
- Bruce Anchor
- Spek Anchor
- Danforth HHP Anchor
- Delta High Holding Power Anchor
- GB11579-89 Light Weight Anchor
- Hall Anchor
- High Holding Power Mastrosov Anchor
- Hot Dip Galvanized Anchor
- Japan Stock Anchor
- JIS Stockless Anchor
- Pool Anchor
- Single Fluke Anchor
- Stainless Steel Anchor
- Stevpris MK5 Anchor
- Stingray Anchor
- US Navy Stockless Anchor
-
Marine Anchor Chain
-
Marine Shackle
- Kenter Shackle
- D Type Joining Shackle
- Pear Shaped Shackle
- Anchor Swivel Shackle Type A
- Anchor Swivel Shackle Type B
- Buoy Shackle Type A
- Buoy Shackle Type B
- C Type Detachable Connecting Link
- D Shackle
- Forelock Shackle
- Anchor Chain Swivel Group
- Straight Shackle
- Anchor Shackle
- Marine Triangle Plate
- Anchor Chain Swivel
- Anchor Chain Joining Shackle
- Anchor Chain End Shackle
- Slim Kenter Shackle
-
Chain Chaser
-
Marine Bollard
-
Marine Chock
-
Marine Fairlead
-
Marine Chain Stopper
-
Marine Mooring Reel
-
Marine Towing Bracket
-
Mooring Rope
-
Marine Towing Hook
-
Marine Shark Jaw
- Marine Fender
-
Marine Buoy
- Marine Floating Pontoon Dock
-
Marine Anchor
- Aquaculture Equipment
- Marine Outfitting Equipment
- Marine Propulsion System
-
Marine Painting
-
Marine Auxiliary Machinery
- Marine Air Compressor
- Marine Air Receiver
- Marine Sewage Treatment Plant
-
Marine Diesel Generator Set
- Marine Oil Water Separator
- Ballast Water Management System
- Marine Hydrophore
- Marine Calorifier
- Seawater Desalination Plant
-
Marine Oil Separator
- Marine Fuel Oil Supply Unit
- Marine Heat Exchanger
-
Marine Hot Well Unit
-
Marine Incinerator
-
Marine Boiler
-
Marine Valve
- JIS Marine Valve
- DIN Marine Valve
- ANSI Marine Valve
- GB Marine Valve
- CB Marine Valve
- CBM Marine Valve
-
Marine Gate Valve
-
Marine Globe Valve
-
Marine Angle Globe Valve
-
Marine SDNR Valve
-
Marine Angle SDNR Valve
-
Marine Check Valve
-
Marine Storm Valve
-
Marine Butterfly Valve
-
Marine Quick Closing Valve
-
Marine Fire Valve
-
Marine Self Closing Valve
- Marine Valve Accessories
-
Marine Pump
- Marine Centrifugal Pump
- Marine Screw Pump
-
Marine Gear Pump
-
Marine Vortex Pump
-
Marine Ejector Pump
-
Marine Diaphragm Pump
-
Marine Piston Pump
-
Marine Fire Pump
-
Marine Emergency Fire Pump
-
Marine External Fire Pump
-
Marine Ballast Water Pump
-
Marine Fuel Pump
-
Marine Lubricating Oil Pump
-
Marine Bilge Pump
-
Marine Sewage Pump
-
Marine Domestic Water Pump
-
Marine General Pump
-
Marine Cargo Oil Pump
-
Marine Hand Pump
- Marine Pump Parts
- Marine Life-saving Equipment
- Fire-fighting Equipment
- Marine Cable
- Marine Electrical Equipment
- Marine HVAC
-
Labour Protection Appliance
- Marine Decorative Material
-
Marine Anode
- Marine Pipe Fitting & Flange
- Marine Instrument
- Ship Building Equipment
INDUSTRY EQUIPMENT
- Hoisting Equipment
- Welding Machine & Material
-
Cutting Machine
- Container Securing Fitting
- Link Chain
- Container & Storage Equipment
-
Diesel Generator Set
- Other Equipment and Tools
- Petrochemical Equipment
- Fiber Reinforced Plastics
- Polymer Materials
- Environmental Protection Series
- Geo-products and Building Materials
- Metal Mesh
- Steel Grating
-
Earthwork Teeth
-
Turnbuckle
STOCK LIST
Contacts
Tel:+86-23-67956606
FAX:+86-23-67956622
Email:manager@cqhisea.com
Working Time: 9:00--17:00
Working Day: Monday to Friday Website: www.cqhisea.com
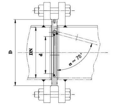
CB T3819-1999 Water Type Check Valve
CB T3819-1999 Water Type Check Valve
1. Application
CB T3819-1999 Water Type Check Valve generally apply in the sea water and fresh water.
2. Material
body & disc: bronze
To meet the different needs of customers, the special materials can be customized according to one's request processing.
3. Technical Data
(1) nominal pressure(MPa): 1.0
(2) nominal diameter(mm): 50~500
4. Features
(1) Excellent quality and beautiful shape.
(2) We can provide samples if necessary.
5. Dimensions
Nominal diameter
Structure dimension
Weight
(kg)
D
d
H
50
108
26
14
1.05
65
128
36
14
1.63
80
144
48
14
2.05
100
164
72
14
3.43
125
194
95
16
8.58
150
220
115
19
13.20
200
275
140
29
18.10
250
330
190
29
24.60
300
380
218
38
37.30
350
440
265
41
71.60
400
490
306
51
76.35
450
540
358
51
81.00
500
596
408
61
88.60
6. IACS Certificate: DNV, KR, BV, NK, CCS, LR, ABS, RINA.
