MARINE & OFFSHORE EQUIPMENT
- Dredging Equipment
- Marine Deck Machinery
-
Marine Mooring Equipment
-
Marine Anchor
- AC-14 HHP Anchor
- Admiralty Anchor
- Beldt Stockless Anchor
- Bruce Anchor
- Spek Anchor
- Danforth HHP Anchor
- Delta High Holding Power Anchor
- GB11579-89 Light Weight Anchor
- Hall Anchor
- High Holding Power Mastrosov Anchor
- Hot Dip Galvanized Anchor
- Japan Stock Anchor
- JIS Stockless Anchor
- Pool Anchor
- Single Fluke Anchor
- Stainless Steel Anchor
- Stevpris MK5 Anchor
- Stingray Anchor
- US Navy Stockless Anchor
-
Marine Anchor Chain
-
Marine Shackle
- Kenter Shackle
- D Type Joining Shackle
- Pear Shaped Shackle
- Anchor Swivel Shackle Type A
- Anchor Swivel Shackle Type B
- Buoy Shackle Type A
- Buoy Shackle Type B
- C Type Detachable Connecting Link
- D Shackle
- Forelock Shackle
- Anchor Chain Swivel Group
- Straight Shackle
- Anchor Shackle
- Marine Triangle Plate
- Anchor Chain Swivel
- Anchor Chain Joining Shackle
- Anchor Chain End Shackle
- Slim Kenter Shackle
-
Chain Chaser
-
Marine Bollard
-
Marine Chock
-
Marine Fairlead
-
Marine Chain Stopper
-
Marine Mooring Reel
-
Marine Towing Bracket
-
Mooring Rope
-
Marine Towing Hook
-
Marine Shark Jaw
- Marine Fender
-
Marine Buoy
- Marine Floating Pontoon Dock
-
Marine Anchor
- Aquaculture Equipment
- Marine Outfitting Equipment
- Marine Propulsion System
-
Marine Painting
-
Marine Auxiliary Machinery
- Marine Air Compressor
- Marine Air Receiver
- Marine Sewage Treatment Plant
-
Marine Diesel Generator Set
- Marine Oil Water Separator
- Ballast Water Management System
- Marine Hydrophore
- Marine Calorifier
- Seawater Desalination Plant
-
Marine Oil Separator
- Marine Fuel Oil Supply Unit
- Marine Heat Exchanger
-
Marine Hot Well Unit
-
Marine Incinerator
-
Marine Boiler
-
Marine Valve
- JIS Marine Valve
- DIN Marine Valve
- ANSI Marine Valve
- GB Marine Valve
- CB Marine Valve
- CBM Marine Valve
-
Marine Gate Valve
-
Marine Globe Valve
-
Marine Angle Globe Valve
-
Marine SDNR Valve
-
Marine Angle SDNR Valve
-
Marine Check Valve
-
Marine Storm Valve
-
Marine Butterfly Valve
-
Marine Quick Closing Valve
-
Marine Fire Valve
-
Marine Self Closing Valve
- Marine Valve Accessories
-
Marine Pump
- Marine Centrifugal Pump
- Marine Screw Pump
-
Marine Gear Pump
-
Marine Vortex Pump
-
Marine Ejector Pump
-
Marine Diaphragm Pump
-
Marine Piston Pump
-
Marine Fire Pump
-
Marine Emergency Fire Pump
-
Marine External Fire Pump
-
Marine Ballast Water Pump
-
Marine Fuel Pump
-
Marine Lubricating Oil Pump
-
Marine Bilge Pump
-
Marine Sewage Pump
-
Marine Domestic Water Pump
-
Marine General Pump
-
Marine Cargo Oil Pump
-
Marine Hand Pump
- Marine Pump Parts
- Marine Life-saving Equipment
- Fire-fighting Equipment
- Marine Cable
- Marine Electrical Equipment
- Marine HVAC
-
Labour Protection Appliance
- Marine Decorative Material
-
Marine Anode
- Marine Pipe Fitting & Flange
- Marine Instrument
- Ship Building Equipment
INDUSTRY EQUIPMENT
- Hoisting Equipment
- Welding Machine & Material
-
Cutting Machine
- Container Securing Fitting
- Link Chain
- Container & Storage Equipment
-
Diesel Generator Set
- Other Equipment and Tools
- Petrochemical Equipment
- Fiber Reinforced Plastics
- Polymer Materials
- Environmental Protection Series
- Geo-products and Building Materials
- Metal Mesh
- Steel Grating
-
Earthwork Teeth
-
Turnbuckle
STOCK LIST
Contacts
Tel:+86-23-67956606
FAX:+86-23-67956622
Email:manager@cqhisea.com
Working Time: 9:00--17:00
Working Day: Monday to Friday Website: www.cqhisea.com
53-ON Vent Head
53-ON Vent Head
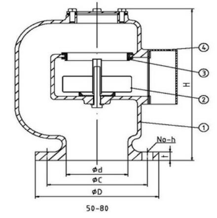
1. Introduction
53-ON vent head is a type of vent used on boats and ships to prevent water from entering the vessel while still allowing air to circulate. It is typically installed on the deck of a boat and is used to ventilate compartments such as the engine room, bilge, or other areas that require air circulation.
The 53-ON vent head is designed with a hooded cover that helps to prevent water from entering the vent while still allowing air to pass through. The vent head also typically has a screen or mesh covering to prevent debris from entering the vent.
These types of vent heads are commonly used in the marine industry due to their durability and ability to withstand harsh marine environments. They are typically made from materials such as bronze or stainless steel to resist corrosion from saltwater exposure.
Proper ventilation is critical for maintaining a safe and functional vessel, and the use of a marine 53-ON vent head is an important component of a well-designed ventilation system.
2. Feature
1. Construction: The Marine 53-ON vent head is constructed from high-quality materials, such as bronze or stainless steel, which makes it highly durable and resistant to corrosion.
3. Design: The vent head is designed to allow for maximum airflow while preventing the entry of water or other debris. It features a hooded design that directs airflow away from the opening and a built-in baffle to prevent water entry.
4. Size: The Marine 53-ON vent head is available in various sizes to fit different ventilation needs. It is typically installed in the deck of a boat or other marine vessel and can be customized to fit the specific requirements of the vessel.
5. Easy Installation: The Marine 53-ON vent head is designed for easy installation, with a simple mounting process that requires only a few tools.
6. Low Maintenance: The Marine 53-ON vent head requires minimal maintenance, making it a cost-effective solution for marine ventilation needs.
Overall, the Marine 53-ON vent head is a reliable and durable marine ventilation device that provides excellent airflow and protection against water and debris entry.
3. Specification
DN
d
D
C
NO-h
t
a
H
H1
50
50
130
105
4-15
14
7
184
176
65
65
155
130
4-15
14
7
204
203
80
80
180
145
4-19
14
7
225
238
100
100
200
165
8-19
16
8
265
271
125
125
235
200
8-19
16
8
304
323
150
150
265
230
8-19
18
9
339
378
200
200
320
280
8-23
18
9
434
493

4. IACS Certificate: ABS, LR, CCS, DNV, BV, RINA, NK.

