HI-SEA MARINE successfully delivered 2Sets of Stern Tube White Metal Bearing to Dubai, UAE. This bearing is suitable for vessels of different sizes whose lubricating medium is oil. The Stern Tube White Metal Bearing are mainly divided into Forward Bearing and After Bearing.
The parameters and drawings of the Stern Tube White Metal Bearing are as follows:
1. Aft bearing of Stern Tube White Metal Bearing:
Material: GG-25 (CI) + SnSb8Cu4
Size: φ304.6 * φ230.6* 460mm
Working medium: oil
With MTC & LR Certificate
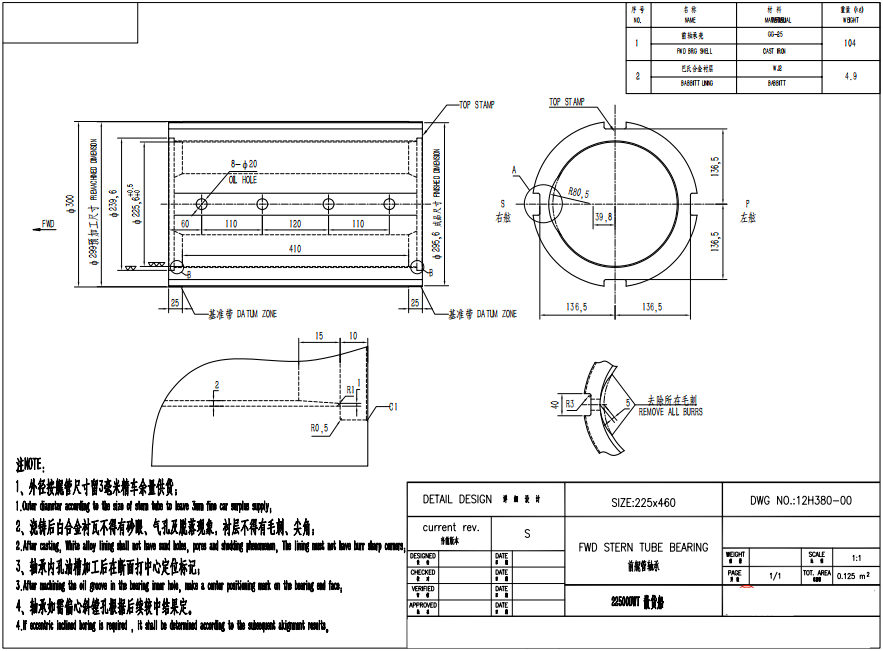
2. FWD bearing of Stern Tube White Metal Bearing
Material: GG-25 (CI) + SnSb8Cu4
Size: φ299.6 *φ225.6* 460mm
Working medium: oil
With MTC & LR Certificate
Before start production, HI-SEA MARINE sent the drawings to clients for confirmation. After finished the Stern Tube White Metal Bearing, the quality department and technical department carried out all kind of tests. After that the LR surveyor also carried out all tests, such as appearance examination, main size inspection, ultrasonic flaw detection test, etc. All the test of the White Matal Bearing meet the expected design standards and the rules of LR.
When the delivery, we provide the packing photos and a set of documents for shipment. After shipment, we provided a set of completion documents to the customer. Including the finished drawings, finished photos, testing photos, LR Test Report, Ultrasonic Flaw Detection Report, Material Report, Calibration Certificate, LR hard stamp photos, MTC, LR certificate, etc.
When the delivery, we provide the packing photos and a set of documents for shipment. After shipment, we provided a set of completion documents to the customer. Including the finished drawings, finished photos, testing photos, LR Test Report, Ultrasonic Flaw Detection Report, Material Report, Calibration Certificate, LR hard stamp photos, MTC, LR certificate, etc.
As a professional supplier of marine equipment and dredger components, HI-SEA MARINE have 15 years of experience. All of our work meets ISO9001:2015, and excellent service and excellent quality have been recognized by many clients.
