Marine emergency air compressor exported to Nigeria
HI-SEA MARINE successfully delivered 1 Sets of marine emergency air compressor to Nigeria.
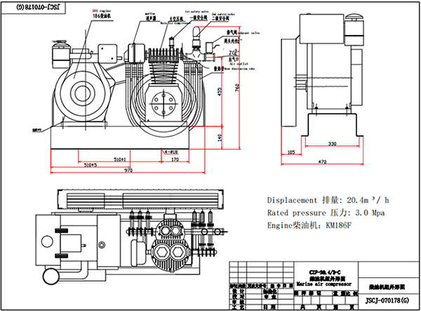
The main parameters are as follows:
Model: CZF-20.4/3-C
Type: double row vertical air-cooled two-stage compression piston type
Displacement: 20.4m ³/ h
Rated pressure: 3.0 Mpa
Speed: 600r/mim
With KM186F diesel engine
PS: Double cylinder
The drawing is as follows:

To catch up with the maintenance time of the customer's ship, HI-SEA MARINE finished the good and shipped them to the client’s named port of destination within 5 days. Now all the goods are at the working site, the client is very satisfied with the excellent performance of the goods.
As a professional supplier of marine equipment and dredger components, HI-SEA MARINE have 14 years of experience. All of our work meets ISO 9001:2015, and excellent service and excellent quality have been recognized by many clients.
